產品型號:RS-FPC-*-N01-*
110液晶氣體變送器
超聲波六氟化硫氧氣溫濕度變送器
多合一氣體檢測儀
C3氣體變送器
臭氧氣體檢測儀
單氣體檢測儀
4G氣體變送器
氧氣變送器
復合式多氣體檢測儀
氫氣變送器
硫化氫變送器
光學冷媒變送器
產品概述
我公司設計的防爆氣體變送器,用于空氣中氣體濃度的檢測,當濃度超過預置報警值時 會發出聲光報警信號,以提醒用戶及時采取安全措施,防止爆炸及中毒事故發生,從而保障 生命、財產安全。
該變送器采用進口一線大品牌電化學傳感器,具有反應迅速靈敏、抗干擾能力強的特點, 經過我公司獨有的補償算法、多段標準氣體標定,亦具有長壽命、高精度、高重復性和高穩 定性的特點。帶有大屏液晶顯示,防護等級 IP66,防爆標志:Ex db IIC T6 Gb;Ex tb IIIC T80℃ Db,可應用于戶 外惡劣的現場環境。
功能特點
采用進口一線大品牌電化學傳感器,穩定耐用。
采用遠程紅外遙控技術,無需拆卸即可修改參數。
支持多種氣體檢測,且量程可定做。
485 通信接口標準 ModBus-RTU 通信協議,地址、波特率可設置,通信距離最遠 2000 米。
多種模擬量信號輸出可選:4~20mA、0~5V、0~10V。
可選配高品質液晶顯示屏,現場可直接查看數值,夜晚亦可清晰顯示。
現場供電采用 10~30V 直流寬壓供電,可適應現場多種直流電源。
產品采用壁掛式防水殼,安裝方便,防護等級高可應用于惡劣的現場環境。
主要技術參數
| 供電電源 | 10~30V DC | |
| 平均功耗 | 485型:0.35W 模擬量型:1.0W | |
| 輸出信號 | 485輸出(標準ModBus協議)、4~20mA、0~5V、0~10V | |
| 重復性 | NH3/H2/CO(1000ppm)/H2S/CH4/NO2/SO2/O3/PH3/CH2O/CL2:≤2% CO(2000ppm) :≤3% O2/N2:≤1% | |
| 穩定性 | CO(1000ppm)/H2S/H2/NO2/SO2/NH3/PH3/CL2 | ≤2%信號值/月 |
| CH4/O3/CH2O | ≤7%信號值/年 | |
| CO(2000ppm)/O2/N2 | ≤5%信號值/年 | |
| 工作溫度 | H2/CO/H2S/CH4/NO2/SO2/O2/NH3/PH3/O3/CH2O/CL2/N2:-20~50℃ | |
| 工作濕度 | NH3/H2/CO/H2S/NO2/SO2/O3/PH3/CH2O/CL2:15~90%RH 無冷凝 O2/N2:5~95%RH 無冷凝 CH4:0~95%RH 無冷凝 | |
| 工作壓力 | NH3/H2/CO(1000ppm)/H2S/SO2/O2/O3/PH3/CH2O/N2/CL2 | 90~110kPa |
| NO2 | 91~111kPa | |
| CH4 | 80~116kPa | |
| CO(2000ppm) | 80~120kPa | |
| 預熱時間 | NH3/H2/CO/H2S/CH4/NO2/SO2/O3/O2/PH3/CH2O/CL2: ≥5min N2:≥15min | |
| 防爆標志 | Ex db IIC T6 Gb;Ex tb IIIC T80℃ Db | |
| 繼電器帶負載能力 | 250VAC 1A/30VDC 1A | |
以上所有規格參數均在環境條件:溫度20℃、相對濕度50%RH、1個大氣壓,待測氣體濃度最大不超過傳感器量程的環境下測得。以上陳述的性能數據是在使用我公司測試系統及軟件的測試條件下獲取的。為了持續改進產品,我公司保留更改設計功能和規格的權利,恕不另行通知。
產品選型
| RS- | 公司代號 | |||||
| FPC- | 帶顯示防爆殼體 | |||||
| FPC-N | 不帶顯示防爆殼體 | |||||
| O2- | 30VOL- | O2變送器30VOL量程 | ||||
| H2S- | 100P- | H2S變送器100 ppm量程 | ||||
| CH4- | 100LEL- | CH4變送器100 LEL量程 | ||||
| CO- | 1000P- | CO變送器1000 ppm量程 | ||||
| 2000P- | CO變送器2000ppm量程 | |||||
| NO2- | 20P- | NO2變送器20ppm量程 | ||||
| 2000P- | NO2變送器2000ppm量程 | |||||
| SO2- | 20P- | SO2變送器20ppm量程 | ||||
| 2000P- | SO2變送器2000ppm量程 | |||||
| H2- | 1000P- | H2變送器1000ppm量程 | ||||
| 40000P- | H2變送器40000ppm量程 | |||||
| NH3- | 50P- | NH3變送器50ppm量程 | ||||
| 100P- | NH3變送器100ppm量程 | |||||
| PH3- | 20P- | PH3變送器20ppm量程 | ||||
| O3- | 100P- | O3變送器100ppm量程 | ||||
| CH2O- | 5P- | CH2O變送器5ppm量程 | ||||
| CL2- | 20P- | CL2變送器20ppm量程 | ||||
| 50P- | CL2變送器50ppm量程 | |||||
| 100P- | CL2變送器100ppm量程 | |||||
| N2- | 99VOL- | N2變送器70~99.9%VOL量程 | ||||
| N01- | RS485(ModBus協議) | |||||
| I20- | 4~20mA電流輸出 | |||||
| V05- | 0~5V電壓輸出 | |||||
| V10- | 0~10V電壓輸出 | |||||
| 空 | 無聲光報警器 | |||||
| A | 加聲光報警器 | |||||
| R01 | 無源繼電器輸出 | |||||
系統框架圖
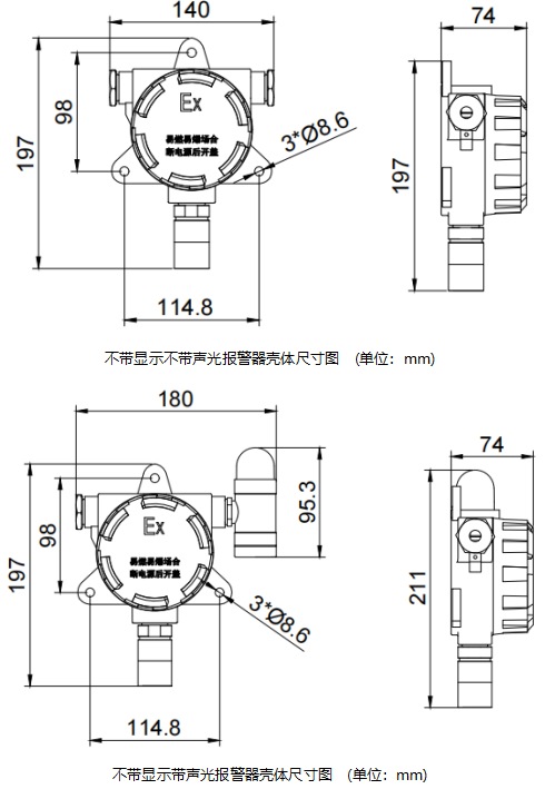
尺寸說明


安裝說明

接口說明

