產品型號:RS-CFSFX-*-2-*
產品概述
超聲波風速風向傳感器是一款基于超聲波原理研發的風速風向測量儀器,利用發送的聲波脈沖,測量接收端的時間差來計算風速和風向。該傳感器可以同時測量風速,風向的瞬時數值。
內置電子指南針選型的設備,安裝時不再有方位的要求,只需保證水平安裝即可,整機外殼采用優質ABS材質,具有重量輕、沒有任何移動部件、堅固耐用的特點,而且不需維護和現場校準,能同時輸出風速和風向。廣泛適用于氣象、海洋、環境、機場、港口、實驗室、工農業及交通等領域的風速與風向測量。
功能特點
無啟動風速限制,零風速工作,無角度限制,360°全方位,可同時獲得風速、風向的數據。
無移動部件,磨損小,使用壽命長。
采用隨機誤差識別技術,大風下也可保證測量的低離散誤差,使輸出更平穩。
工程塑料外殼,設計輕巧,攜帶輕便,安裝、拆卸容易。
內置電子指南針的設備,安裝時無方向要求,水平安裝即可。
不需維護和現場校準。
主要技術參數
| 直流供電(默認) | 10V~30V DC | |
| 最大功耗 | 485:0.4W 4~20mA、0~5V、0~10V:0.5W 4G:1.0W | |
| 量程 | 風速 | 0~60m/s(可定制) |
| 風向 | 0~359° | |
| 精度 | 風速 | ±(0.2m/s±0.02*v)(v為真實風速)(60%RH,25℃) |
| 風向 | ±3°(60%RH,25℃) | |
| 分辨率 | 風速 | 0.01 m/s |
| 風向 | 1° | |
| 工作環境 | -40~60℃,0~95%RH(非結露) | |
| 抗風強度 | 75 m/s | |
| 響應時間 | 1s | |
| 防護等級 | IP66 | |
| 輸出信號 | 485(ModBus-RTU協議) 4~20mA、0~5V、0~10V 4G中國移動或中國聯通或中國電信的手機網絡 | |
以上陳述的性能數據是在使用我司測試系統及軟件的測試條件下獲取的。為了持續改進產品,我司保留更改設計功能和規格的權利,恕不另行通知。
產品選型
| RS- | 公司代號 | ||||
| CFSFX- | 超聲波風速風向變送器 | ||||
| N01- | 485通信(標準ModBus-RTU協議) | ||||
| I20- | 4~20mA 電流輸出 | ||||
| V05- | 0~5V 電壓輸出 | ||||
| V10- | 0~10V 電壓輸出 | ||||
| 4G- | 采用4G方式上傳數據 | ||||
| 2- | ABS殼體 | ||||
| 空 | 無內置電子指南針 | ||||
| CP | 內置電子指南針功能 | ||||
系統框架圖
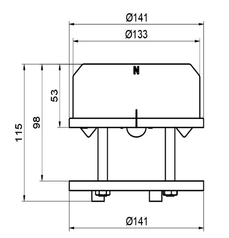
尺寸說明

單位:mm
安裝說明

接口說明
寬電壓電源輸入12-30V直流電源。485信號線接線時注意A/B兩條線不能接反,總線上多臺設備間地址不能沖突。
線色 | 說明 | 備注 |
棕色 | 電源正 | 12-30V DC |
黑色 | 電源地 | GND |
綠色 | 485-A | 485-A |
藍色 | 485-B | 485-B |