產品型號:RS-PM200
產品概述
PM200系列投入式液位變送器前端防護帽起保護傳感器膜片的作用,也能使液體流暢地接觸到膜片,防水導線與外殼密封連接,通氣管在電纜內與外界相連,內部結構防結露設計。內置微型信號處理電路,可進行遠程傳輸。具有良好的穩定性和可靠性。可廣泛應用于水廠、污水處理廠、城市供水、高樓水池、水井、地熱井、礦井、工業水池、油池、水文地質、水庫、河流、海洋等領域的液位測量控制。
可廣泛應用于水廠、污水處理廠、城市供水、高樓水池、水井、地熱井、礦井、工業水池、油池、水文地質、水庫、河流、海洋等領域的液位測量控制。
功能特點
反極性保護和瞬間過電流過電壓保護,符合EMI防護要求;
可溫度自動補償,溫飄自動修正;
采用高品質導氣線纜,可常年在水中浸泡;
過載及抗干擾能力強,經濟實用穩定;
采用核心自動校正算法,可有效防止因水面波動而引起的數值波動;
斜坡式導液孔,可有效防止淤泥雜質進入,亦可防沖擊。
主要技術參數
485型:
| 直流供電(默認) | DC 10-30V,典型24V |
| 最大功耗 | 0.2W |
| 變送器元件耐溫 | -40~80℃ |
| 過載能力 | <1.5倍量程 |
| 防護等級 | IP68 |
| 外徑尺寸 | Ф26.8mm |
| 測量介質 | 對不銹鋼無腐蝕的油、水等(長時間測量需≤60℃) |
| 采樣時間 | 2400次/s |
| 長期穩定性 | ±0.2%FS/年 |
模擬量型:
| 測量范圍 | 0-100m(可選) |
| 測量精度 | 0.2%FS,0.5%FS(默認) |
| 輸出信號 | 4-20mA,0-5V,0-10V |
| 過載能力 | <1.5倍量程 |
| 溫度漂移 | 0.03%FS/℃ |
| 供電電源 | 12-36VDC典型24V |
| 功耗 | 0.48W |
| 介質溫度 | -10~50℃ |
| 變送器元件耐溫 | -40℃~+80℃ |
| 測量介質 | 對不銹鋼無腐蝕的油、水等 |
| 防護等級 | IP68 |
| 負載能力 | 電流帶負載能力:≤500Ω |
| 電壓輸出電阻:≤510Ω |
產品選型
| RS- | 公司代號 | ||||
| PM200- | 通用投入式液位變送器 | ||||
| 01~99- | 量程(99代表定制量程,其他數值是量程米數) | ||||
| N01- | 485 通訊(ModBus-RTU 協議) | ||||
| A05 | 0.5級精度(默認),可選0.2級精度(A02)和0.1級精度(A01) | ||||
系統框架圖
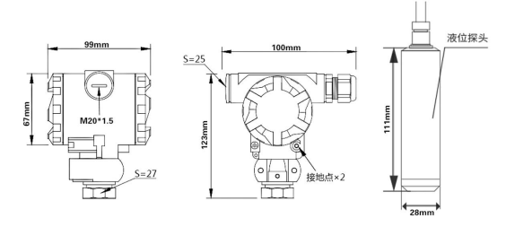
尺寸說明

安裝說明

接口說明
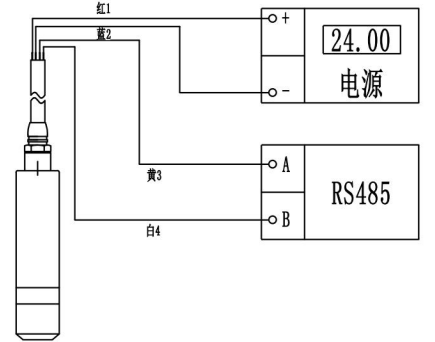
485接線:

模擬量接線:
