產品型號:RS-FPCH-PV-*-DY
產品概述
我公司設計的無線壓力變送器,采用高性能的感壓芯片,配合先進的電路處理和溫度補 償技術,將壓力變化轉化為4G、LoRa信號,并上傳至我司免費的云平臺或本地平臺。產品體積小巧, 易于安裝,采用不銹鋼外殼隔離防腐,適于測量與接觸部分材質相兼容的氣體和液體等介質, 可以用來測量表壓和絕壓。
設備采用外接電源供電,設備可以長時間運行。設備自帶存儲,設備在離線情況下自動 存儲數據,防止數據丟失。設備帶顯示可顯示當前壓力數據以及當前量程的壓力水平。使用 USB 連接手機 APP 配置參數,方便快捷,滿足傳統壓力表智能化升級的需求。
應用場合:如供水、排水、消防水系統、輸油管道、輸氣管道等相關場景。
功能特點
自帶顯示屏,現場可直接查看數值。
10~30V DC 外接電源供電。
設備帶數據存儲,離線自動存儲數據。
采用溫度補償工藝測量精度更高更穩定。
溫度自動補償,溫飄自動修正。
抗振動、抗沖擊,防射頻電磁干擾。
過載及抗干擾能力強,經濟實用穩定。
壓鑄合金鋁外殼,表面環氧噴涂,密封設計,IP67 防護等級。
-LORAH 選型支持增加 LORA 中繼轉發器延長傳輸距離。
主要技術參數
| 測量范圍 | -0.1~+100MPa(可選) |
| 壓力類型 | 表壓、絕壓 |
| 輸出信號 | 4G、LoRa、NB |
| 過載能力 | <1.5倍量程 |
| 供電方式 | 10-30V DC |
| 產品功率 | 最大功率0.85W |
| 測量精度 | ±0.2%FS,±0.5%FS(默認) |
| 零點漂移 | ±0.25%FS/70℃ |
| 滿量程溫度影響 | ±0.25%FS/70℃ |
| 長期穩定性 | ≤0.2%FS/年 |
| 防護等級 | IP67 |
| 介質溫度 | -40~75℃ -40~150℃(高溫型) |
| 變送器元件耐溫及濕度 | -30℃-+70℃,0%RH~95%RH (非結露) |
| 測量介質 | 對不銹鋼無腐蝕的氣體、液體 |
| 采集間隔 | 1s/2s/5s(默認)/10s/15s/30s/60s/120s /240s/360s/720s/1440s(4G/NB) 默認5min,最低可設2s(LoRa) |
| 上傳間隔 | 2s/5s/10s/15s/30s(默認)/60s/120s /240s/360s/720s/1440s(4G/NB) 默認5min,最低可設1min(LoRa) |
| 進壓頭材質 | 304不銹鋼 |
| 膜片材質 | 316L不銹鋼 |
| 殼體材質 | 壓鑄鋁環氧樹脂涂層 |
| 安裝接口 | M20*1.5 |
產品選型
| RS- | 公司代號 | |||||
| FPCH- | 帶顯示防爆殼體 | |||||
| PV- | 壓力變送器 | |||||
| PVT- | 壓力溫度一體變送器 | |||||
| 4G- | 4G 方式上傳 | |||||
| NB- | NB-IoT 通訊 | |||||
| LORAH- | LoRa方式上傳,支持中繼轉發 | |||||
| DY- | 電源供電 | |||||
| DS- | 電源+電池雙供電 | |||||
| 01 | 0-10kPa | |||||
| 02 | 0-100kPa | |||||
| 03 | 0-0.6MPa | |||||
| 04 | 0-1MPa | |||||
| 05 | 0-2.5MPa | |||||
| 06 | 0-10MPa | |||||
| 07 | 0-40MPa | |||||
| 08 | 0-60MPa | |||||
| 09 | -100~0kPa | |||||
| 10 | -0.1MPa~1MPa | |||||
| 11 | 0-1.6MPa | |||||
| 12 | -0.1MPa~0.1MPa | |||||
| 99 | 定制量程 | |||||
系統框架圖
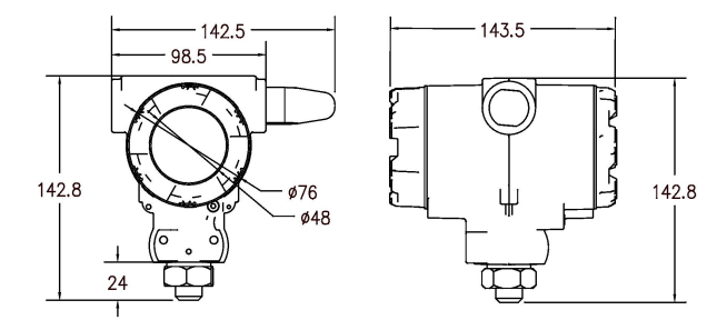
尺寸說明

單位:mm
安裝說明
將無線壓力變送器的傳感器對準 M20*1.5的螺紋,使用開口扳手上緊即可。(如下圖)

接口說明
