產品型號:RS-SJ-*-4
產品概述
該水浸變送器廣泛應用于通訊基站、賓館、飯店、機房、圖書館、檔案庫、倉庫、設備機柜以及其它需積水報警的場所,產品采用獨有的交流采樣技術,確保測量電極長期保持靈敏,避免電極極化,壽命長,檢測可靠。采用485通信接口標準ModBus-RTU通信協議,可接入現場組態系統或PLC;帶有1路繼電器常開點輸出,方便接入現場設備,標準DIN35mm導軌安裝,安裝方便。升級版帶有蜂鳴器報警功能及按鍵復位功能。
功能特點
我公司采用交變電流采集積水的電感參數,準確區分是否發生水浸,甚至可以區分純凈水與自來水(默認以自來水為檢測對象,若要檢測純凈水請特殊說明)。因為采用交變電流檢測,電極即使長時間浸泡也不會產生電泳極化,不依賴特殊電極,做到壽命長、檢測可靠。---此技術為我公司專利,已獲專利局授權,凡仿冒者我公司保留追究其法律責任的權利。
主要技術參數
供電 | DC10-30V | |
最大功耗 | 繼電器輸出 | 1.2W |
RS485輸出 | 0.4W | |
檢測對象 | 自來水、純凈水 | |
變送器電路工作溫度 | -20℃~+60℃,0%RH~95%RH(非結露) | |
輸出信號 | 繼電器輸出+RS485輸出 | 常開觸點+ RS485(ModBus協議) |
產品選型
| RS- | 公司代號 | |||
| SJ- | 水浸變送、傳感器 | |||
| N01R01- | RS485+繼電器常開點 | |||
| 4 | 卡軌殼 | |||
| 4H | 卡軌殼帶復位按鍵及聲音報警 | |||
系統框架圖
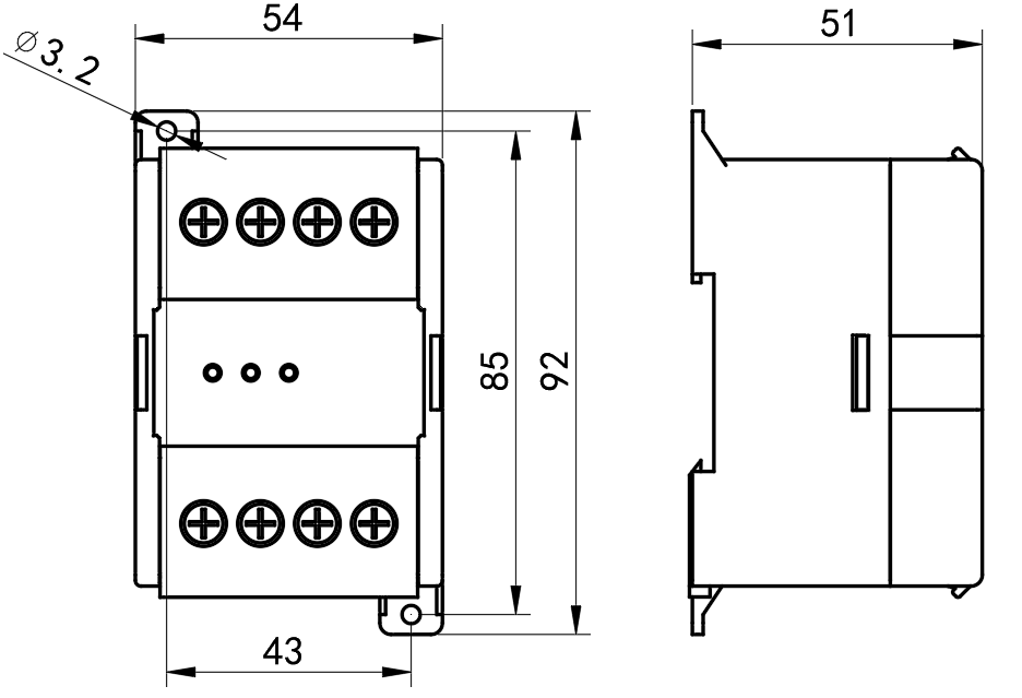
尺寸說明

安裝說明

接口說明
電源及485信號接線
寬電壓電源輸入10~30V均可。485信號線接線時注意A/B兩條線不能接反,總線上多臺設備間地址不能沖突。
繼電器接口接線
設備標配是具有1路繼電器輸出,兩條出線為常開觸點。
具體接線
PC標識 | 水浸485型 | 水浸開關量型 |
V+ | 電源正(10~30V DC) | |
GND | 電源負 | |
S1 | 水浸探針 | |
S2 | ||
485-A/OUT | 485-A | 繼電器常開觸點 |
485-B/COM | 485-B | |