產品型號:RS-FPC-WS-*-*
壁掛王字殼模擬量型溫濕度傳感器
壁掛數碼管王字殼溫濕度傳感器
86殼液晶模擬量型溫濕度傳感器
模擬量型工業管道式液晶溫濕度變送器
模擬量型工業管道式溫濕度變送器
數顯管道式模擬量型溫濕度傳感器
風管溫濕度傳感器
混凝土養護專用溫濕度變送器模擬量型
工業型壁掛溫濕度變送器(模擬量型)
工業型壁掛液晶溫濕度變送器(模擬量型)
防爆溫濕度變送器(模擬量型)
防爆式風管型溫濕度變送器(模擬量型)
產品概述
我公司設計的防爆溫濕度變送器,用于空氣中溫濕度的檢測,當濃度超過預置報警值時會發出聲光報警信號,以提醒用戶及時采取安全措施。該變送器采用瑞士進口原裝高品質溫濕度傳感器,傳感器具有測量精度高,抗干擾能力強等特點,保證了產品的優異測量性能。帶有大屏液晶顯示,防護等級IP65,防爆標志:Ex d IIC T6 Gb,可應用于戶外惡劣的現場環境。
設備采用寬壓10-30V直流供電,模擬量信號輸出,4-20mA、0-10V、0-5V可選。
功能特點
采用瑞士原裝進口測溫單元,測量精度高、抗干擾能力強。
采用遠程紅外遙控技術,無需拆卸即可修改參數。
多種模擬量信號輸出可選:4~20mA、0~5V、0~10V。
可選配高品質液晶顯示屏,現場可直接查看數值,夜晚亦可清晰顯示。
現場供電采用10~30V直流寬壓供電,可適應現場多種直流電源。
產品采用壁掛式防爆殼,安裝方便,防護等級IP65可應用于戶外惡劣的現場環境。
主要技術參數
| 直流供電(默認) | DC 10-30V | |
| 平均功耗 | 3.05W(4~20mA型滿量程且報警燈工作時) | |
| 工作環境 | 帶顯示:-20℃~+60℃,0%RH~95%RH(非結露) 不帶顯示:-40℃~+80℃,0%RH~95%RH(非結露) | |
| 溫濕度測量量程 | 帶顯示:-20℃~+60℃,0%RH~100%RH 不帶顯示:-40℃~+80℃,0%RH~100%RH | |
| 溫度顯示分辨率 | 0.1℃ | |
| 濕度顯示分辨率 | 0.1%RH | |
| 測量精度 | 濕度 | ±3%RH(60%RH,25℃) |
| 溫度 | ±0.5℃(25℃) | |
| 輸出信號 | 4-20mA、0-5V、0-10V | |
| 長期穩定性 | 濕度 | ≤1%RH/y |
| 溫度 | ≤0.1℃/y | |
| 安裝方式 | 壁掛式 | |
| 防爆標志 | Ex d IIC T6 Gb | |
| 繼電器帶負載能力 | 250VAC 1A/30VDC 1A | |
產品選型
| RS- | 公司代號 | ||||
| FPC- | 帶顯示防爆殼體 | ||||
| FPC-N- | 不帶顯示防爆殼體 | ||||
| WS- | 溫濕度變送器 | ||||
| I20- | 4~20mA電流輸出 | ||||
| V05- | 0~5V電壓輸出 | ||||
| V10- | 0~10V電壓輸出 | ||||
| 空 | 無聲光報警器 | ||||
| A | 加聲光報警器 | ||||
| R01 | 無源繼電器輸出 | ||||
系統框架圖
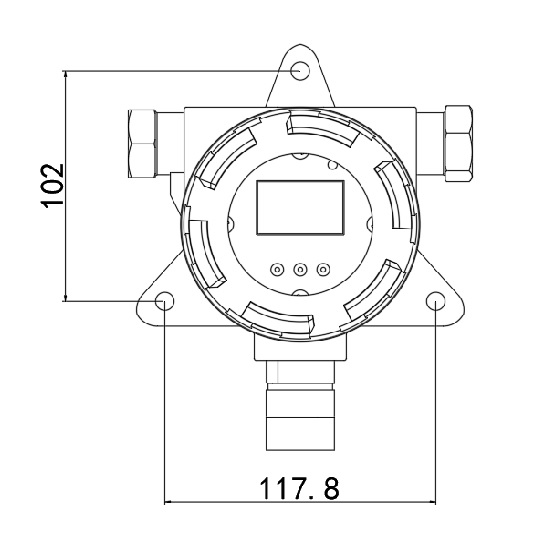
尺寸說明

安裝說明

壁掛安裝

U型卡安裝

膨脹螺絲安裝時,先在墻體或其它固定平面打孔,將膨脹塞放入孔內,擰入螺絲帽使膨脹塞膨脹,然后卸下螺絲帽安裝設備,最后擰入螺絲帽將設備固定。

接口說明
寬電壓電源輸入10~30V均可。(針對0~10V型,均為24V供電)
線色 | 說明 | |
電源(設備左側出線) | 棕色 | 電源正(10~30V DC) |
黑色 | 電源負 | |
輸出(設備左側出線) | 藍色 | 溫度信號正 |
綠色 | 溫度信號負 | |
黃色 | 濕度信號正 | |
白色 | 濕度信號負 | |
無源繼電器類型 (設備右側出線) | 黃色 | 繼電器常開觸點 (黃色、藍色) |
藍色 |